加入收藏
|
中文
|
ENGLISH
首 页
公司概况
产品中心
资质证书
信息反馈
产品追踪
样本下载
人力资源
人才战略
招职信息
联系我们
产品列表
产品图册
线束类传感器
传感器带接线盒
新品推荐
工业类传感器
铠装热电偶
基本原理和性能特点
标准技术规范
允差和应用标准对照表
测量端型式
补偿导线规格
检验标准
选型目录
装配式热电偶
基本原理和性能特点
允差和应用标准对照表
热电偶类型
保护管材料和标准尺寸
偶丝技术参数一览表
检验标准
选型目录
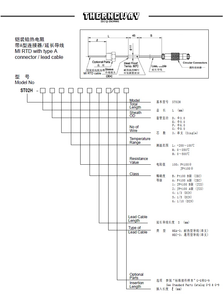
铠装热电阻
基本原理和性能特点
类型和技术规范
允差,连接方式和温度范...
结构和延长导线技术规范
检验标准
选型目录
装配式热电阻
结构和性能特点
类型,允差和连接方式
温度范围,结构和保护管...
检验标准
选型目录
金属保护管和安全套管
系列表
技术规范
主要材料和特性
检验标准
选型目录
通用件结构和尺寸
接线盒和连接器
卡套螺纹和法兰
单螺纹卡套
表面垫片和隔爆卡套螺纹
接线盒支承板和法兰结构
食品医用传感器
卫生型热电阻
插针型食品热电阻
一体化温度传感器
小法兰卫生型传感器
全不锈钢卫生级传感器
线束类传感器
空调传感器
快插热电偶
双支热电阻
露端式热电偶
线束类温度传感器
温度变送器
热电阻全量程温度变送器
RST系列旋转式温度变...
专用特殊传感器
超细直径铠装热电偶
测量管道表面温度铠装热...
低温温度传感器
温度校正装置
校验恒温器
定点温度槽
标准油槽
校验炉
宽温场热电偶检定炉
温湿度检定
超低温恒温槽
低温恒温槽
热响应时间校验设备
超高温传感器
英国圣轲威传感器配件
接线盒支承板和法兰结构...
接线盒和连接器
卡套螺纹和法兰
单螺纹卡套
表面垫片和隔爆卡套螺纹
产品展示
首页
-选型目录
ST12B Spring loaded MI RTD with head/nipple/union
Download this page
详细内容
相关产品